直流高壓發生器使用方法
如做容性負載試驗時,一定要接上限流電阻。
1.試驗器在使用前應檢查其完好性,聯接電纜不應有斷路和短路,設備無破裂等損壞。
2.將機箱、倍壓筒放置到合適位置分別聯接好電源線、電纜線和接地線,保護接地線與工作接地線以及放電棒的接地線均應單獨接到試品的地線上(即一點接地)。嚴禁各接地線相互串聯。為此,應使用DHV專用接地線。
3.電源開關放在關斷位置并檢查調壓電位器應在零位。過電壓保護整定值一般為試驗電壓的1.1倍。
4.空載升壓驗證過電壓保護整定是否靈敏。
5.接通電源開關,此時紅燈亮,表示電源接通。
6.按綠色按鈕,則綠燈亮,表示高壓接通。
7.順時針方向平緩調節調壓電位器,輸出端即從零開始升壓,升至所需電壓后,按規定時間記錄電流表讀數,并檢查控制箱及高壓輸出線有無異?,F象及聲響。
8.降壓,將調壓電位器回零后,隨即按紅色按鈕,切斷高壓并關閉電源開關。
9.對試品進行泄漏及直流耐壓試驗。在進行檢查試驗確認試驗器無異常情況后,即可開始進行試品的泄漏及直流耐壓試驗。將試品、地線等聯接好,檢查無誤后即打開電源。
10.升壓至所需電壓或電流。升壓速度以每秒3—5kV試驗電壓為宜。對于大電容試品升壓時還需監視電流表充電電流不超過試驗器的大充電電流。對小電容試品如氧化鋅避雷器、磁吹避雷器等先升至所需電壓(電流)的95%,再緩慢仔細升至所需的電壓(電流)。然后從數顯表上讀出電壓(電流)值。如需對氧化鋅避雷器進行0.75UDC—1mA測量時,先升至UDC1mA電壓值,然后按下黃色按鈕,此時電壓即降至原來的75%,并保持此狀態。此時可讀取電流。測量完畢后,調壓電位器逆時針回到零,按下綠色按鈕。需再次升壓時按紅色按鈕即可。
必要時用外接高壓分壓器比對控制箱上的電壓。
11.試驗完畢,降壓,關閉電源。
12.幾種測量方法
1)一般測量時,當接好線后,先把聯接試品的線懸空,升到試驗電壓后讀取空試時的電暈和雜散電流I,然后接上試品升到試驗電壓讀取總電流Ⅰ1;試品泄漏電流:Io =Ⅰ1—I’
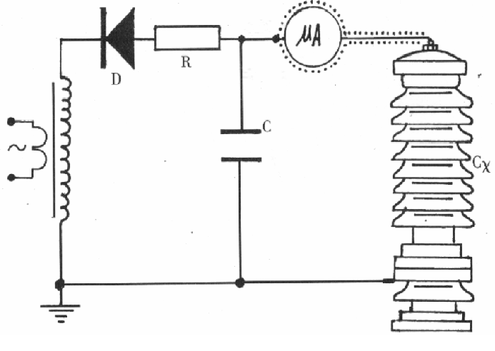
2)當需要測量被試品泄漏電流時,則應在高壓側串入高壓微安表(見下圖)
微安表必須有金屬屏蔽,應采用屏蔽線與試品聯接。高壓引線的屏蔽引出應與儀表端的屏蔽緊密聯接。如果試品表面污穢要排除試品表面泄漏電流的影響可在試品高電位端用裸金屬軟線緊密繞幾圈后與高壓引線的屏蔽相聯接(見下圖)。